AP/NDIDC, NASA
Beginning in early 2008, scientists have been watching the disintegration of the Wilkins Ice Shelf on the Southwest Antarctic Peninsula. This satellite image was taken March 6, 2008.
Map
European Space Agency
The Wilkins Ice Shelf covers approximately 5,200 sq. miles with a maximum thickness of between 656 and 820 feet. Like other ice shelves, it floats on the water's surface but is attached to the coast.
What A Difference A Day Makes
NASA
This combination shows the initial breakup of the Wilkins Ice Shelf on February 28 (left) and 29, 2009. An ice bridge connecting Alexander Island to the shores of Charcot Island and Latady Island is also threatened.
Detritus
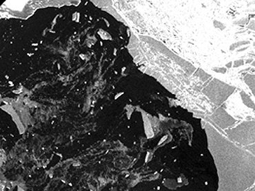
National Snow And Ice Data Center
This satellite image shows floating chunks of ice from the 2008 Wilkins Ice Shelf collapse.
A Warming Globe
NASA
According to the National Snow and Ice Data Center, average temperatures at the Antarctic Peninsula over the last 50 years have risen 0.9 degrees Fahrenheit per decade, making it one of the fastest warming places on Earth.
Ridges
European Space Agency
Satellite imagery taken April 2 revealed more cracks in the ice bridge, and icebergs detaching from the shelf. A collapsed ice shelf can accelerate the flow of glaciers into the sea, which can raise sea water levels.
Collapse
European Space Agency
This European Space Authority satellite image taken April 5, 2009 shows the Wilkins Ice Bridge collapsed.